GMRT Hotline Telephone System

Brief Description

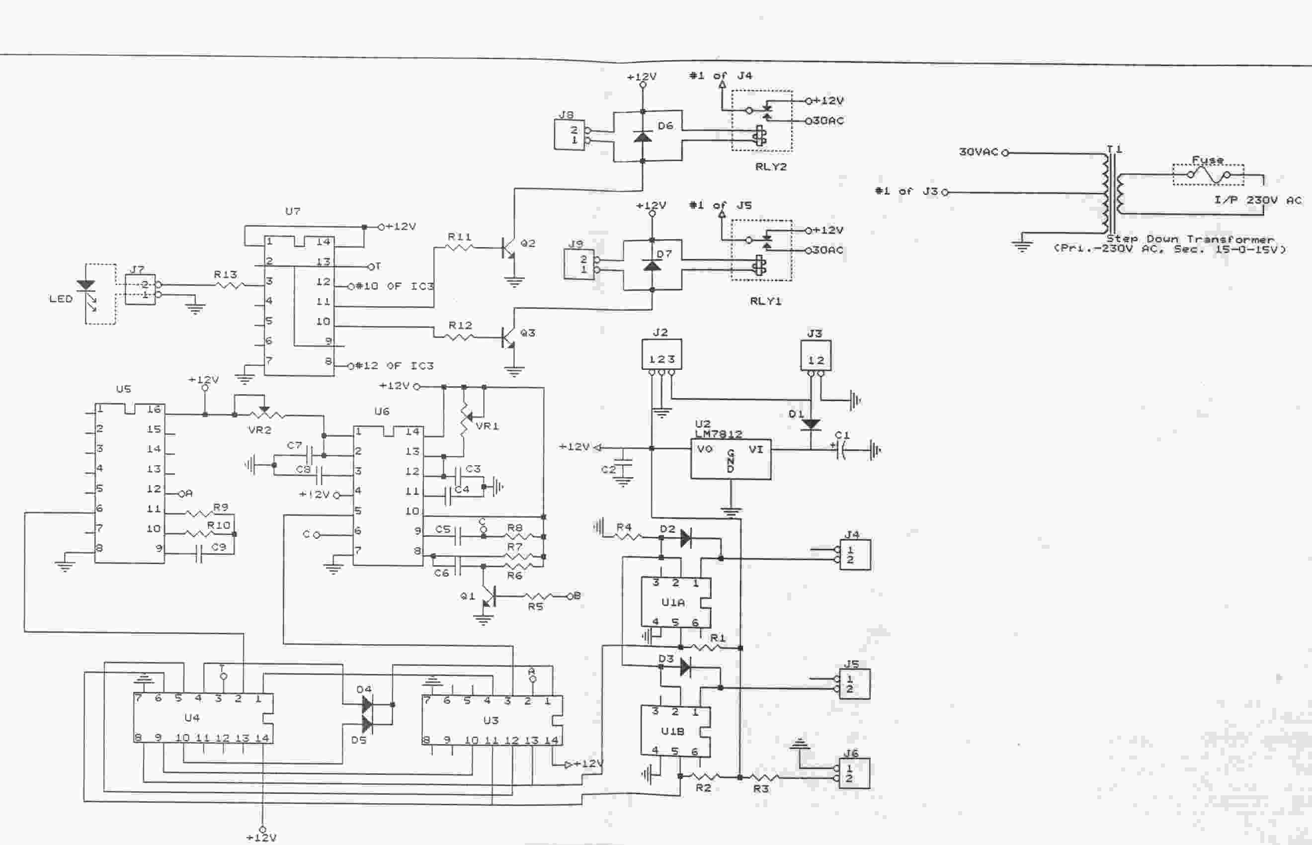
Hot-line Telephony System is useful for various people working at the remote site. A two phone intercom is developed and is being used extensively during the high lift platform jobs for conversations with the testing team at the ground level. The major advantage of this setup is that it is tested to be RFI-free. The maximum operating range between the two receivers is 1 K.M.

 

 

 

Circuit Diagram

 

Images

 

Document Actions