राष्ट्रीय रेडियो खगोलभौतिकी केंद्र

NATIONAL CENTRE FOR RADIO ASTROPHYSICS

Tata Institute of Fundamental Research, Pune

ncra, NCRA-TIFR pune
Technical Details

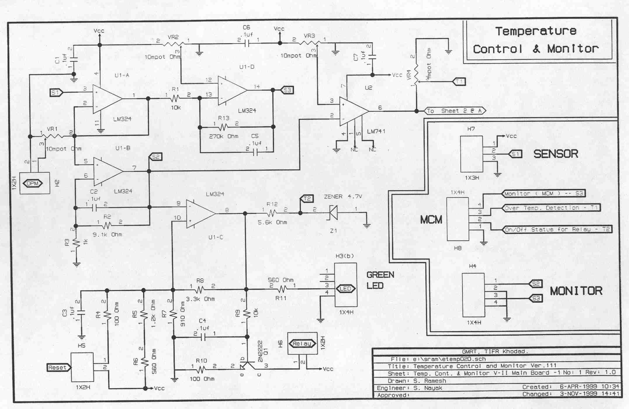
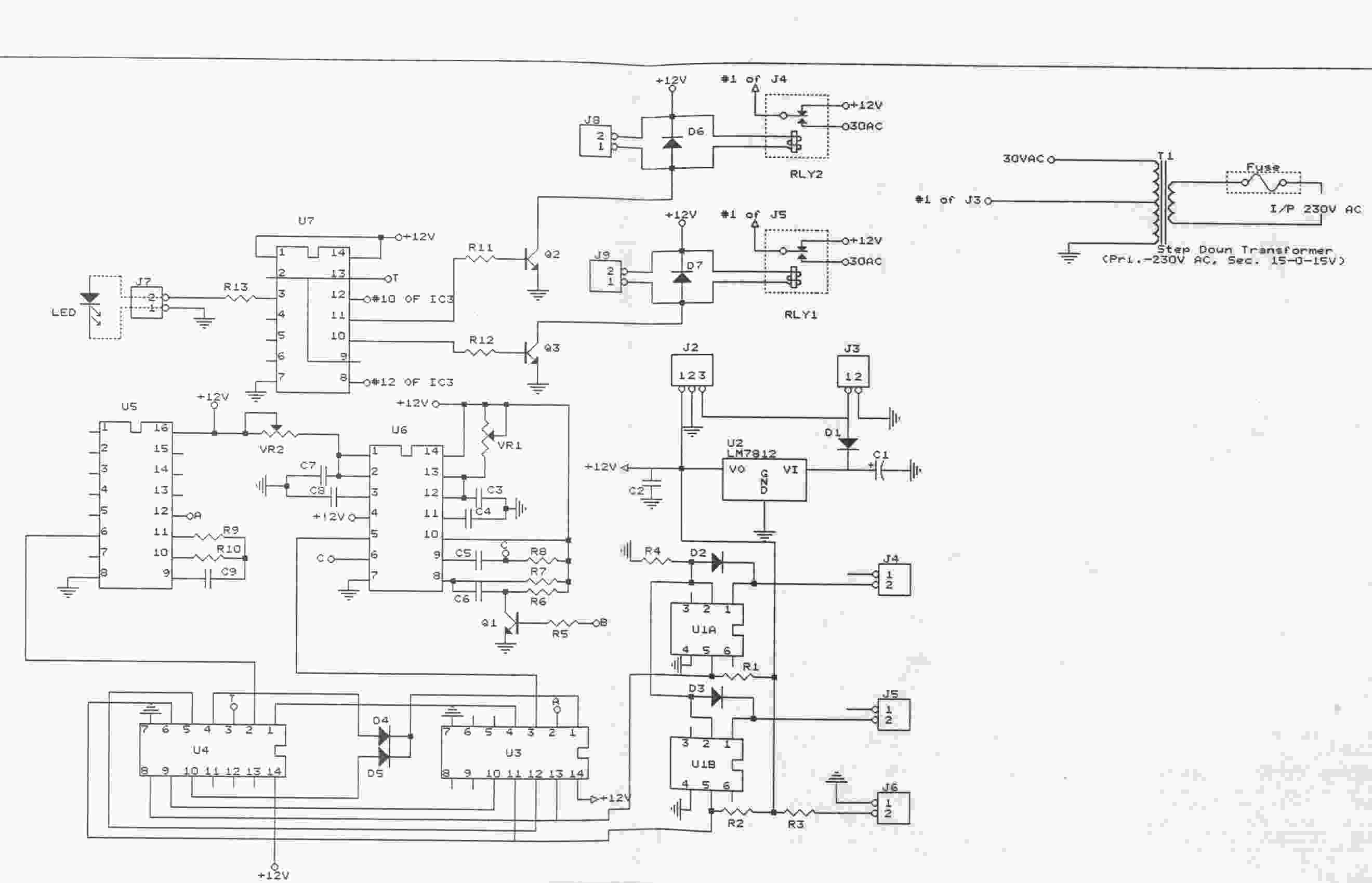
Antenna Shell Temperature Monitor is based on National Semiconductor make temperature sensor LM-35, (range 0-100 degC). It gives output voltage variation of 10 mV/degC with maximum resolutions of 0.5 degC. Sensor output is amplified and connected to the analog voltage monitoring channel in the Telemetry system at the antenna site. The monitored temperature from each antenna is displayed in the Control Room. The system also has facility to detect over temperature and shut down mains power supply to the critical units. Thus the critical electronic devices at the antenna site are protected.


...
Block Diagram

...
Circuit Diagram

...
Circuit Diagram

...
Circuit Diagram


Datasheet:


Images:
...

...

Intruder Alarm System based on Passive Infra-Red (PIR) motion detector provided by Visonic. It detects the variation of human body temperature within a range of 15m and sensing angle of 180 deg. This system is installed only in array antennas. When a intrusion is detected inside the antenna shell the system drives the electric siren located in the antenna tower. This gives warning to the security staff. Simultaneously the PIR status is transmitted to the Control Room through Telemetry system.


...
Block Diagram


...
Circuit Diagram

...
Circuit Diagram


...
Data Sheet


...
Picture

Smoke and Fire Alarm System based on Americium-241 ionization smoke detector-1412B manufactured by System Sensor. Presently three detectors are located at each antenna, two inside the shell (one above the Servo control rack and another above IF system rack) and one above the Main electrical distribution panel out side the shell. In case of any fire or smoke detected by any of the three sensors it breaks the electrical loop thereby triggering the electric siren located in the antenna tower. Simultaneously the status is transmitted to the Control Room through the Telemetry system.


...
Block Diagram


...
Circuit Diagram

...
Data Sheet
...
Data Sheet


...
Picture
...
Picture

Correlator is most critical and sensitive area of GMRT. It contains High Speed Digital Networks for data acquisitions and built up with special designed chips whose operating temperature are very critical. The normal temperature maintain in the Correlator Room is about 16 degree centigrade. In case of Air Conditioning failure Correlator Over Temperature Alarm System detects the rise in temperature and triggers to the Power Switching circuit for activating the electric siren.

Electronic Door Closer is based on magnetic door contact sensor is installed in the RFI shielded cage in the Correlator room. The installed system produces a panic sound when the room door is left open. This is very important for preventing overload on air-conditioning as well as from RFI point of view. A suitable time delay is built in to the system so that the buzzer is not triggered during normal entry into the room.

Closed Circuit Television Network consisting of Watec make CCD camera is installed in critical locations within the Central Electronics Building. The cameras are monitored using a TV set available with the main security office.


...
Block Diagram


...
Specification

...
CCD Camera details


...
CCTV

Hot-line Telephony System is useful for various people working at the remote site. A two phone intercom is developed and is being used extensively during the high lift platform jobs for conversations with the testing team at the ground level. The major advantage of this setup is that it is tested to be RFI-free. The maximum operating range between the two receivers is 1 K.M.


...

...


...
Circuit Diagram


Images:
...

...

RF shielding measurements - Recently we have started checking the shielded cages for RFI shielding effectiveness. A set of antennas with signal generator and spectrum analyzer is used for this purpose. We have used insertion method for the measurement of shielding. We have measured a shielding of the order of 40 dB in the cages we have checked so far.


Images:
...


...

Legecy: Video conferencing system has been developed to provide communication between NCRA and GMRT and is dependent only on the Optical Fiber link. It consists of two PCs with CCD cameras connected to the computer network. This system is very useful in providing talk/demo simultaneously to both NCRA and GMRT